꼭 저렇게 시공해야 하는지 의문입니다.
문틀은 900이라도 설치여건에 따라 높이 및 폭은 조금씩 달라질수 있지요~
방통칠때 +-5mm 정도내에서 마감되며, 폭또한 +-3mm 정도 달라집니다.
그래서 문틀 설치 후 도어 발주 낼때 도어마다 상중하의 폭을 측정하고 도어 중앙부분의 높이를 측정합니다.
폭은 상중하 중 제일 작은 치수 -7mm를 빼고, 높이는 -15mm를 빼서 발주를 냅니다.
예를 들어 도어 폭(내경) 845-7=838mm
높이(내경) 2067-15=2052mm를 실측하여 도어를 발주 합니다.
만약 발주가 잘못 와서 내경보다 도어 사이즈가 크다 그럼 전동대패로 깍아서 엣지 필름을 붙이 시면 되십니다.(엣지필름은 달라고 하시면 그냥 줍니다)
이렇게 실측해서 설치하시면 문을 닫았을때 보기도 좋습니다.
저도 몇일전에 문 달았는데 방문하나 실측 잘못해서 3mm를 대패로 날려버리고 문 달았습니다.^^
문을 발주한 업체가
내경이 845mm라고 손잡이쪽 7mm
경첩쪽7mm 문 하나에 14mm빼야한다고
하면서 832mm 발주해서
저희 공사현장으로
보내왔는데 달고 보니
문틈이 많이 벌어져 발주한업체에 항의를
하여 문을 직접 만든팀이 와서
싸이즈를 재보고 발주는 832mm데
자기들이 실수해서 830mm으로
나왔다고 문을 가져가서 2mm
도 부쳐서 가져온다고 합니다
근데 정작 현재 900mm문틀이
외경은 900mm인데 내경이 845mm 맞는 싸이즈가 없고
다~845mm보다
크다는 사실 발주한 업체측에서는
문틀을 달고 한달 지난 후에
문을 달아 믄틀이 변행이 왔다고
합니다 문틀 달고 바로 문을 달지
않은 우리 책임 이라고 합니다
제 개인적인 생각입니다. 그런 경첩을 제가 관계한 어느 현장에서도 본적이 있습니다. 결국 가장 작은 것으로 줄여달라고 하기는 했는데요.
말은 아끼는 것이 좋습니다. 하지만 개인적으로는 문의 경첩은 보이지 않는 그런 경첩으로 시공하는게 맞습니다. 작은 것도 아니고 이렇게 큰 것을 시공하면 기능상으로는 맞는 것이지만 이것이 문과 궁합이 맞는 그런 경첩은 아닐 것입니다.
그런 경첩이 일반적인 것이라면 이건 건축주를 위한 것이 아니고 그동안 문을 시공하는 사람들의 편의만 고려한 그런 게으름에서 오는 그런 행위로 밖에는 이해가 되지를 않습니다. 하지만 이런 것을 미리 인테리어 상에서 하나 하나 정하지 않으면 나중에 서로 생각하는 것이 달라 바꿔달라고 말할수는 없습니다. 그래서 일반적인 것이냐라고 물어본 것이구요.
문을 만드는 회사가 문을 시공하는 회사가 그리고 경첩을 만드는 회사가 이를 인지하고 합당한 제품을 만들어야 하는 것이지요.
그런 의미에서 문으로는 맞지 않는 궁합으로 보였기에 드린 말씀입니다. 기본이라는 것이 있는데 저는 이런 경첩을 만드는 회사의 용기가 참으로 대단하다고 느낍니다.
독일 Häfle사의 경첩과 유사해 보이기는 합니다.
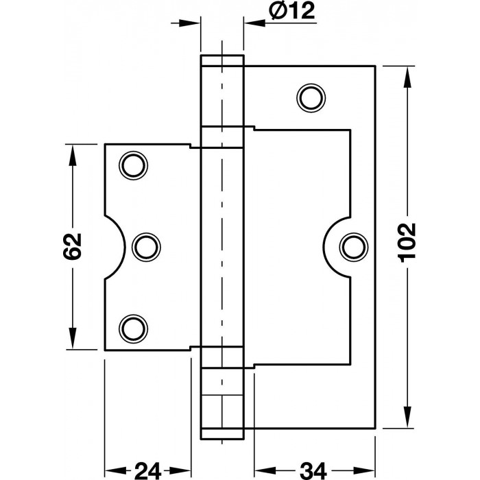
사진 오른편에 철물이 꺽이는 부분이 위아래로 있습니다. 그 부분이 튀어나오는 부분이지요. 그런데 사례를 보면 모두 10 mm 이상이 튀어나와 있습니다. 그건 이유가 한가지 인데요. 문틀에 그 철물이 시공되는 깊이가 서로 맞지 않는다는 말입니다. 아래의 치수로 말한다면 문틀에 34 mm 공간이 확보가 되어야 깔끔하게 매립시공이 가능하다는 말이죠. 즉, 약 10 mm 가 더 짧은 경첩을 문만드는 분들이 사용을 했어야 했다는 의미 입니다. 아니면 문틀이 이런 경첩을 문제없이 시공하도록 그 깊이만큼 확보를 해 줘야 하는데 그러면 문두께가 달라지기에 이또한 비용이 되는 것이죠. 그런 의미에서 경첩의 깊이가 다른 것이 여러 종류 있는 것이 더 효율적인 것으로 판단이 됩니다.
홍도영님...감사합니다. 이해했습니다.
아파트에서 보지 못했던 경첩이고, 무언가 어색하다는 막연한 느낌이 있었는데 그런 이유였군요.
기능상으로는 문제가 없겠지만, 심미적 하자라고 볼 수 있겠네요.
표준주택 12호의 경첩도 위 사진과 같이 크고, 튀어나와 있습니다.
칫수가 높이는 비슷한데, 너비가 30, 45 정도 됩니다. 문틀부분 및 문두께는 약 35 정도 됩니다.
즉 적어도 10mm는 튀어나오게 됩니다.
표준주택의 경첩 및 넓은틈새 (6mm) 부분 관리자님 반성하셔야 합니다. ㅠㅠ
배흘림 문틀도 그렇고.... 이부분도 대패로 깍고 엣지필름으로 마무리 한것 같습니다만...
그러면 제가 곤란해 지는디요!
사실 이걸 건축가들이 잡지는 않습니다. 또 시공사가 하는 것도 아닙니다.
별도의 구체적인 시방서가 없는 것이 원인이 되기도 하지만 이건 문을 시공하는 회사에서 기본으로 해야되는 사항입니다.
그렇다고 별도로 인테리어 계획을 하는 것이 여건상 불가능하기에 말입니다. 그러면 나사 하나 하나의 모양도 구별을 해야 합니다.
문틀은 900이라도 설치여건에 따라 높이 및 폭은 조금씩 달라질수 있지요~
방통칠때 +-5mm 정도내에서 마감되며, 폭또한 +-3mm 정도 달라집니다.
그래서 문틀 설치 후 도어 발주 낼때 도어마다 상중하의 폭을 측정하고 도어 중앙부분의 높이를 측정합니다.
폭은 상중하 중 제일 작은 치수 -7mm를 빼고, 높이는 -15mm를 빼서 발주를 냅니다.
예를 들어 도어 폭(내경) 845-7=838mm
높이(내경) 2067-15=2052mm를 실측하여 도어를 발주 합니다.
만약 발주가 잘못 와서 내경보다 도어 사이즈가 크다 그럼 전동대패로 깍아서 엣지 필름을 붙이 시면 되십니다.(엣지필름은 달라고 하시면 그냥 줍니다)
이렇게 실측해서 설치하시면 문을 닫았을때 보기도 좋습니다.
저도 몇일전에 문 달았는데 방문하나 실측 잘못해서 3mm를 대패로 날려버리고 문 달았습니다.^^
내경이 845mm라고 손잡이쪽 7mm
경첩쪽7mm 문 하나에 14mm빼야한다고
하면서 832mm 발주해서
저희 공사현장으로
보내왔는데 달고 보니
문틈이 많이 벌어져 발주한업체에 항의를
하여 문을 직접 만든팀이 와서
싸이즈를 재보고 발주는 832mm데
자기들이 실수해서 830mm으로
나왔다고 문을 가져가서 2mm
도 부쳐서 가져온다고 합니다
근데 정작 현재 900mm문틀이
외경은 900mm인데 내경이 845mm 맞는 싸이즈가 없고
다~845mm보다
크다는 사실 발주한 업체측에서는
문틀을 달고 한달 지난 후에
문을 달아 믄틀이 변행이 왔다고
합니다 문틀 달고 바로 문을 달지
않은 우리 책임 이라고 합니다
헌 것 고쳐쓰는 것도 아니므로 바꿔달라고 하십시오.
시공사에다가 얘기해서 말이 통하지 않으면 본사 C/S팀에다가 바로 연락해서 현장실사를 해달라고 하십시오,
무슨 경첩이......국내에서는 이런 경첩이 일반적인 것인가요? 이게 문인가요? 이런 경첩을 사용하고도?
이 역시 바른 품질이 아닙니다.
그 사이에 독일에서 어떤 분이 다녀가셨군요.
표준주택12호에도 같은 경첩이 사용되었습니다. 아래 글의 의미를 자세히 설명해 주시겠습니까?
>무슨 경첩이......국내에서는 이런 경첩이 일반적인 것인가요? 이게 문인가요? 이런 경첩을 사용하고도?
말은 아끼는 것이 좋습니다. 하지만 개인적으로는 문의 경첩은 보이지 않는 그런 경첩으로 시공하는게 맞습니다. 작은 것도 아니고 이렇게 큰 것을 시공하면 기능상으로는 맞는 것이지만 이것이 문과 궁합이 맞는 그런 경첩은 아닐 것입니다.
그런 경첩이 일반적인 것이라면 이건 건축주를 위한 것이 아니고 그동안 문을 시공하는 사람들의 편의만 고려한 그런 게으름에서 오는 그런 행위로 밖에는 이해가 되지를 않습니다. 하지만 이런 것을 미리 인테리어 상에서 하나 하나 정하지 않으면 나중에 서로 생각하는 것이 달라 바꿔달라고 말할수는 없습니다. 그래서 일반적인 것이냐라고 물어본 것이구요.
문을 만드는 회사가 문을 시공하는 회사가 그리고 경첩을 만드는 회사가 이를 인지하고 합당한 제품을 만들어야 하는 것이지요.
그런 의미에서 문으로는 맞지 않는 궁합으로 보였기에 드린 말씀입니다. 기본이라는 것이 있는데 저는 이런 경첩을 만드는 회사의 용기가 참으로 대단하다고 느낍니다.
https://www.google.com/search?rlz=1C1DIMC_enDE823DE823&biw=1536&bih=762&tbm=isch&sa=1&ei=zBkmXIW1AcecsAeajoLwCA&q=innent%C3%BCrb%C3%A4nder&oq=innent%C3%BCrb%C3%A4nder&gs_l=img.3..0j0i7i30j0i8i7i30j0i10i24.41485.42224..42797...0.0..0.175.511.3j2......1....1..gws-wiz-img.Zu7Yd-3nl6w
이게 비싼게 아니거든요. 생각의 차이인듯 합니다.
물론 아예 보이지 않는 경첩은 비쌉니다. 하지만 그것이 아니더라도 충분히 숨길수가 있는 방법이 많기에.....
위의 경첩도 독일에도 없는 것은 아닙니다. 다만 제가 보기에는 너무 크기에 드린 말씀입니다.
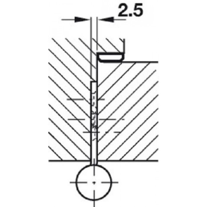
그리고 이 경첩의 시공방식도 잘못된것 같구요. 원래는 아래의 그림처럼 힌지가 바로 문뒤에 붙어 있어야 합니다. 위의 사례에서는 튀어나와 있거든요.
사진 오른편에 철물이 꺽이는 부분이 위아래로 있습니다. 그 부분이 튀어나오는 부분이지요. 그런데 사례를 보면 모두 10 mm 이상이 튀어나와 있습니다. 그건 이유가 한가지 인데요. 문틀에 그 철물이 시공되는 깊이가 서로 맞지 않는다는 말입니다. 아래의 치수로 말한다면 문틀에 34 mm 공간이 확보가 되어야 깔끔하게 매립시공이 가능하다는 말이죠. 즉, 약 10 mm 가 더 짧은 경첩을 문만드는 분들이 사용을 했어야 했다는 의미 입니다. 아니면 문틀이 이런 경첩을 문제없이 시공하도록 그 깊이만큼 확보를 해 줘야 하는데 그러면 문두께가 달라지기에 이또한 비용이 되는 것이죠. 그런 의미에서 경첩의 깊이가 다른 것이 여러 종류 있는 것이 더 효율적인 것으로 판단이 됩니다.
아파트에서 보지 못했던 경첩이고, 무언가 어색하다는 막연한 느낌이 있었는데 그런 이유였군요.
기능상으로는 문제가 없겠지만, 심미적 하자라고 볼 수 있겠네요.
표준주택 12호의 경첩도 위 사진과 같이 크고, 튀어나와 있습니다.
칫수가 높이는 비슷한데, 너비가 30, 45 정도 됩니다. 문틀부분 및 문두께는 약 35 정도 됩니다.
즉 적어도 10mm는 튀어나오게 됩니다.
표준주택의 경첩 및 넓은틈새 (6mm) 부분 관리자님 반성하셔야 합니다. ㅠㅠ
배흘림 문틀도 그렇고.... 이부분도 대패로 깍고 엣지필름으로 마무리 한것 같습니다만...
사실 이걸 건축가들이 잡지는 않습니다. 또 시공사가 하는 것도 아닙니다.
별도의 구체적인 시방서가 없는 것이 원인이 되기도 하지만 이건 문을 시공하는 회사에서 기본으로 해야되는 사항입니다.
그렇다고 별도로 인테리어 계획을 하는 것이 여건상 불가능하기에 말입니다. 그러면 나사 하나 하나의 모양도 구별을 해야 합니다.
표준주택 광고할때...손잡이 하나하나 검토...어쩌구 저쩌구... 트럭 한대 분량 ...어쩌구 저쩌구...했던것 같습니다. ㅎ.. 너무 심각하게 받아들이지 않으셨으면 합니다.
이부분은 한국의 일반적인 수준으로 이해하겠습니다. 그렇다고 독일제 문을 사용할 수는 없으니까요.
시즌2는 거기도 보겠습니다. 히든경첩으로...
히든경첩은 비싸다잖아요.
시즌2는 옵션이 좀 더 다양해질 전망입니다. 다 가격이겠지만요..
본문의 문 중 경첩을 다시 단 문은.. 다른 곳에 잘못 달았던 문일 가능성이 있습니다.
나사의 구멍 간격이 경첩과 완전히 다르거든요... 즉 다른 경첩을 달았던 문입니다.
중간에 경첩이 변경된 것이 아니라면.. 다른 집의 문을 가져온 것으로 보입니다.
1990년대 중반에 지은 집의 경첩입니다.
참고하시기 바랍니다.
새해에는 모든 분들 늘 건강하시고 행복하시기 바랍니다.
경첩을 문의한것이 아니고
문을 단 상태에서 틈을 문의 하다가
지기님이 경첩 사진을
올려 보라고 해서
올린것인데
전 심미적으로 괜찮아요 옛날처럼 경첩홈을 안팠지만 첨부 사진처럼 문전체를 패킹처리를 했네요
이것도 하나의 방법인듯 합니다
요즘일반적으로는 사진올리신 경첩을 이지경첩이라하여 홈을파지않고 설치하기에 많은분들이사용하고계시지요
또한 원목문이 아니고 씨트지문짝을사용하기에 ................
헤페레경첩 모티스손잡이를사용하는경우에는 건축비하고 문제가있은것갔읍니다.
또한 사진과같이 설치한경우에는 실측이잘못되어서 그러한것갔읍니다.
다시한번 ...................
앞 선 질문글의 댓글에 답변이 올라와 있습니다.
http://www.phiko.kr/bbs/board.php?bo_table=z4_01&wr_id=22091
문짝은 문틀 안쪽 크기에 대해,
한 쪽에 3mm 씩, 전체적으로는 약 5~7mm 범위 내에서 작게 만드는 것이 옳다...
입니다.
설치한후 문을 달면
문틀이 변형이 온다고 하는데
정말 변형이 오나요?
건축의 하자는 결국 "결과"입니다.
한달 전에 설치 했든 안 했든, 지금의 상태가 "하자"입니다.
그리고, 저 이름은 "지기"가 아니라 "리자"입니다.
"지기"라는 이름도 나쁘지는 않네요. ㅎㅎ