전열교환기 질무드립니다.

설계/시공관련 질문

질문 전에 먼저 검색을 해주세요.

 

전열교환기 질무드립니다.

G 메리나 3 2,377 2023.05.24 10:47
안녕하세요

 

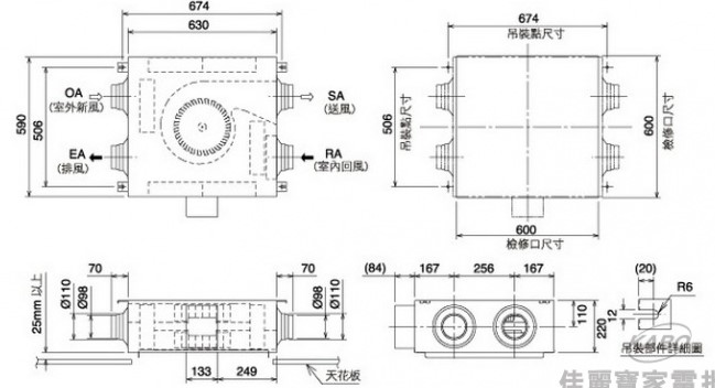
인터넷에 전열교환기가 궁금해서 찾아보던 도중 2000년도 중반에

 

파라소닉에서 생산된 제품을 보게 되었습니다.

 

지금 나오는 전열교화기(모터 2개)와 달리 사진상에는 모터 1개로 운영중인거 같은데

 

SA,OA,RA는 이해가 가능한데 EA가 어떻게 이루어지는지 궁금합니다.

 

혹시 내용 알고 있으신분 계실까요?

 

Comments

3 주안홍 2023.05.24 22:37
추측해보면... OA에서 SA로 블로워가 밀고 있고, 룸에 양압이 걸리니, 결국 다른 샐 곳이 없다고 하면, RA → OA로.. 한바퀴 돌거라는 가정으로 만들어진 기계같아 보이네요.
열 교환은 어떻게 하는지는 모르겠네요;;
M 관리자 2023.05.25 10:36
이 기기는 위아래로 2층 형식이어요. 그래서 상부에 똑같은 시로코팬이 하나더 있습니다.
제품 전체 두께와 팬의 두께를 서로 비교해 보시면 되실 거여요.
G 메리나 2023.05.25 12:44
2층형식이면 이해가 갑니다~

감사합니다~
Category