아파트 전열교환기 설계 문의

설계/시공관련 질문

질문 전에 먼저 검색을 해주세요.

 

아파트 전열교환기 설계 문의

G 기린 4 3,518 2020.12.21 15:57

92년산 구축 아파트 완전 철거 리모델링 예정입니다.


전열교환기와 환기 배관을 설치하고자 하는데 조언 부탁드립니다.


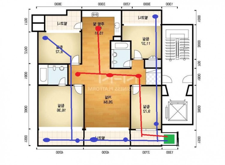
발코니 3곳 확장 예정이며, 확장 후 전용면적 120 제곱미터 정도입니다.


각 칸마다 천장형 시스템 에어컨 별도 설치 예정입니다.


BALUBERG 350 모델을 생각 중인데, 250 모델 사용해도 무리 없을지요?


설치 위치 구조 상 본체를 100cm 정도 높이로 올려서 설치해야 하는데 설치에 문제 없을지요?

 

환기 배관 및 급배기구 위치도 대략 잡아보았는데 조언 부탁드립니다.



네이버-환기.jpg

Comments

G 기린 2020.12.21 16:13
내용 추가입니다.
KOMFORT 350까지 생각 중인데, 한 단계 아래인 250을 사용해도 괜찮을지 궁금합니다.
주방과 욕실 환풍기는 별도 설치 예정입니다.
M 관리자 2020.12.21 20:32
1. 250은 모자를 것 같습니다.
2. 높이를 올려서 설치되는 것은 문제 없습니다.
3. 배관 설계는 공급사에서 해 주는 것으로 알고 있습니다. 그 쪽의 설계안 대로 하시면 무리가 없으실 것 같습니다.
G 정광호 2020.12.22 19:36
안녕하세요. 잡자재의 정광호입니다.
1미터를 올려서 설치하시게 되면 소음기가 천장에 시공되어야 합니다.
그럴경우 두께 약 40센치에 길이 60센치의 소음이가 베란다 천장에 노출됩니다.
그리고 확장구간에 천장 단열을 고려했을 때
층고 확보면에서 비확장 구간에 디퓨져를 설치하는 것이 유리합니다.
상기와 같이 메인배관에서 분기되는 것은 배관의 구경이 커야해서 실질적으로 아파트에서는 거의 대부분 불가능합니다.
참고 부탁드립니다.
G 정광호 2020.12.22 23:02
추가로 복도에 배기를 넣지 마시고 각화장실에 배기 1개씩 주방에 2개  그리고 현관에 한개의 배기를 설치하여 급기와 배기의 거리를 최대한 멀리하는 것이 효율이 높습니다. 외부 OA와 EA가 가까우면 안되는것과 마찬가지로 내부 SA와 RA도 최대한 거리를 멀게 하는 것이 좋습니다
Category