목구조+외단열, 기초(알파기초)단열 및 레이어 구성 관련

설계/시공관련 질문

질문 전에 먼저 검색을 해주세요.

 

목구조+외단열, 기초(알파기초)단열 및 레이어 구성 관련

4 장지훈 20 14,525 2020.12.05 15:37

어제 질문 드렸으나 현장 진행 관계상 다시 한번 여쭈어 봅니다.

우선 현장 관련한 질문 입니다. 

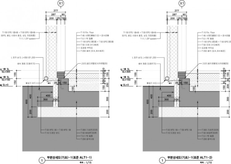
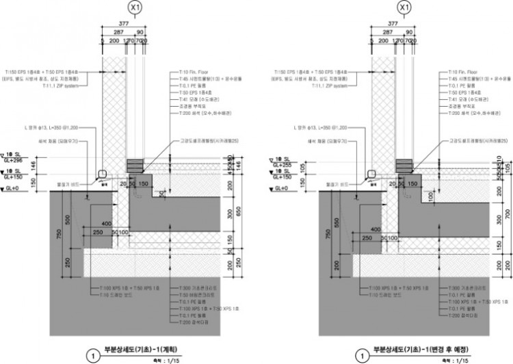
계획은 아래 그림 좌측 부분상세도(기초)-1(계획)과 같이 계획되어 있었으나, 현장에서 터파기 중 버림콘크리트를 타설하지 않기로하였습니다. (잡석다짐 레벨링 상태가 양호하고 먹은 어차피 외곽라인만 필요하고 내부 철근은 단열재 위에 다시 먹메김해야할 듯 하여)

 

해서 아래 그림 우측 부분상세도(기초)-1(변경 후 예정)과 같이 시공 예정이었습니다.

 

001+ 002.jpg

 

 

 

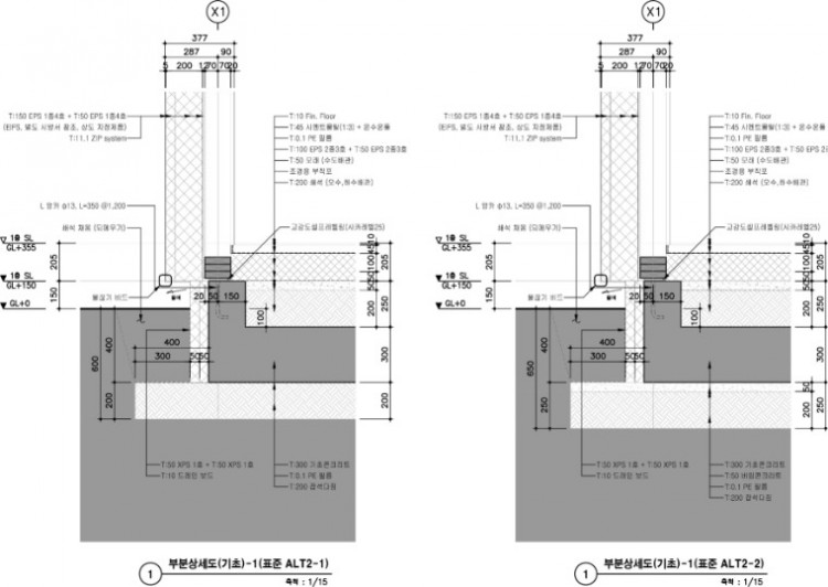
그러던 중 어제 질문게시판 질의응답에서 목구조+외단열, 기초단열 관련하여 현재 터파기 깊이를 유지하면서 변경 가능한 대안은 아래 그림 부분상세도(기초)-1(수정계획 ALT-1)과 부분상세도(기초)-1(수정계획 ALT-2) 정도로 생각됩니다. 차이점은 구체 상부 단열재 설치 레벨인데, 설치 레벨에 따라 층고, 천장고가 달라질 수 있을 것 같습니다. (가급적 스터드를 8` 범위에서 사용하고자 할 때)

 

질문1 : 아래 대안 중 열적 성능 등 측면에서 어떤 차이가 있을까요? 혹은 다른 대안이 있을런지요?

 


003 + 004.jpg

 

 

 

 

 

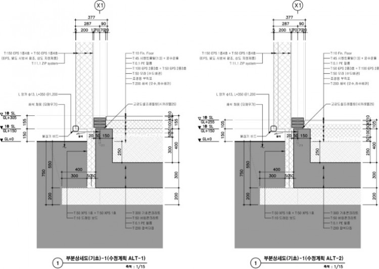
현재 프로젝트 상황과 무관하게 "목구조+외단열, 기초(알파기초)단열" 표준 상세 차원에서, 그리고 보급형? 패시브하우스(5리터) 구현이란 관점의 합리성 측면에서 표준 상세 차원를 마련하고자 합니다. (향후 성능 향상을 위해 추가 조치 고려)

 

이러한 맥락에서 아래 세가지 대안이 생각해볼 수 있을 것 같습니다.

1-1과 1-2의 차이는 버림콘크리트 타설 여부이고, ALT 1,2,3의 차이는 터파기 깊이와 구체 상단 단열재 설치 레벨 차이입니다.

 

질문2 : 말씀하신 목구조, 기초단열 유용성? 문제는 협회 표준주택과 같이 그라스울 단열재일 때는 분명 타당해 보입니다. 다만 본 프로젝트와 같이 목구조+외단열에서 토대 열교 문제는 그라스울 단열재 사용시 보다 상대적으로 나아보이는데, 이 경우 구체 상부 단열재를 T:150 EPS를 유지해야 할까요? 물론 법규 문제가 있지만 열적 해석에서 스펙 변경이 가능하지 않을까 하는 막연한 생각이 들어서 여쭈어 봅니다.


참고로 구체 내부 쇄석층에 오수,하수 배관 조인트 관계로 200mm는 확보하고자 하며, 모래층은 수도배관층 임과 동시에 단열재 평활도를 위한 층입니다. 

 

질문3 : 이 경우 ALT3이 시공적인 측면에서 가장 합리적으로 보여지는데, 열적 성능 등 관점에서 대안 3가지 중 어떤 것이 유용할까요?

 

005 + 006.jpg

 

 

 

007 + 008.jpg

 

 

009 + 010.jpg

 

Comments

M 관리자 2020.12.06 10:42
답변이 늦은 상태에서 질문이 죄송합니다만...
목구조를 살짝 돌출 시키려는 이유가 있을까요?
4 장지훈 2020.12.06 13:28
별말씀입니다...

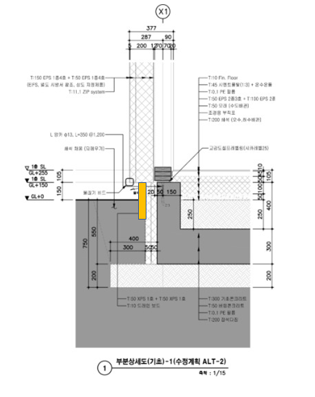
구체에서 토대가 약간 돌출하는 이유는 기초 콘크리트 오가네가 시공 오차가 생길 수밖에 없는 이유로 인해 20mm라는 치수가 의미 있다기 보다 20mm 범위내에서 오가네를 맞추라는 의미입니다.

그리고 만약 타이벡층(본 플젝에서는 zip system)에 물이 침투할 경우 osb(zip)가 구체보다 안쪽에 위치하는 경우가 없도록 (비가 안쪽으로 흘러들지 않도록) 레이아웃 하라는 의미에서 구체보다 돌출되어 시공하고 있습니다.
M 관리자 2020.12.06 13:44
일종의 여유치네요.. 알겠습니다.

두가지로 나누어 말씀을 드려야 할 것 같은데요..

1. 일반적인 목구조 또는 표준주택처럼 외단열이 외벽체의 단열성능보다 현저히 작을 때는.... 바닥의 단열재 상단이 토대목의 높이와 최소한 일치시키던가, 20mm 정도 더 높은 것이 나은 선택입니다.
그러나 이 경우, 외단열의 성능이 월등히 높으므로, 바닥의 단열재 두께는 인증에서 요구되는 두께만 지키면 되고, 그 높이는 그리 중요한 인자는 아닙니다.

2. 다만... 계속 눈에 걸리는 것이.. EPS와 XPS 의 맞댄선 상에서의 열교가 생길 경우인데요. 사람이 하는 일이라서 틈새가 있거나 할 수 밖에 없을텐데요.
(그래서 물끊기비드 보다는 EPS와 XPS 사이에 얇은 팽창밴드를 더 추천드리고 있는 입장이긴 한데.. 그건 열교보다는 물처리가 목적인지라...)

그래서 그 돌출에 대한 질문을 드렸던 것인데요.
토대목의 하단과 XPS, EPS 경계가 일치하지 않게 끔 하는 것이 더 나은 선택으로 보여서요.
그러려면, EPS를 더 내리는 방법 밖에 없는데.. 거실 창문 하부와 함께 따져 봐야 할 것 같습니다.

혹은... 아래 그림과 같이 30mm 정도라도 XPS의 상부측에 덧대주는 것이 대안이 될 수 있을 것 같습니다.
M 관리자 2020.12.06 13:45
두번째 질문은... 어떤 해석 보다는 "법적 요구사항+인증 요구사항"에 의해 결정되면 될 것 같습니다.
M 관리자 2020.12.06 13:49
세번째는... 9' 스터드를 사용해야 한다는 점은 있지만.. 시공/열적 모두 낫습니다.
7 티푸스 2020.12.06 14:41
1층 FL은 GL 보다 높지만 기초 상단의 쇄석 채움 부분은 GL 보다 많이 낮아보입니다.
이럴 경우 방수.방습을 고려한 조치가 필요하지 않을까요?
사람이 하는 일이라 콘크리트 이어치기 부분이나 오.배수가 나가는 부분으로 습기나 물이 지속적으로 유입이 된다면 방바닥이나 토대목 부분에 좋지는 않을것 같다는 느낌이 들어서요.
그래서 토대목 부분과 콘크리트 기초 측면(최소한 이어치기 부분을 덮는 부분까지)의 방수.방습이 고려되면 좋지 않을까 하는 생각을 해 봅니다.
고뫄스?^^ 라도 한번 칠하면 좋지 않을까요... 그냥 도면 보고 느낀 생각입니다.
4 장지훈 2020.12.06 14:49
답변 감사드립니다.

토대 부분 EPS와 XPS 경계 부위는 EPS 30mm 정도 덧 대는 걸로 현장에서 정리할 수 있을 것 같습니다. 비용의 문제일 뿐이니.

다만... 발코니창과 데크와 만나는 부위는 이전 질문 기준을 생각해 몰 때, 결국 (창호 24mm 돌출 시공 후) XPS 24mm 폭만 창호 하단까지 붙히고 나머지 빗각 처리하는 방법. 혹은 관리자님이 제안하신 데크와 창호 사이 틈을 콩자갈로 채우거나 이군요. 현재로써는.

고민해 보겠습니다.
4 장지훈 2020.12.06 15:06
티푸스님 의견 감사합니다.

콘크리트 이어치기 부분은 지수판 정도로 생각하고 있으며(표현이 빠졌네요) 기초 측면의 방수, 방습은 측면 드레인 보드와 되메우기 쇄석 정도로 생각하고 있습니다. 심리적 위안 삼아... ^^ 고뫄스 정도 칠하는 것은 어렵지 않으나 공학적 사실 관계는 궁금하네요. 어쨌든 지중 구간이니 고뫄스라도...^^그런데 측면 XPS 설치시 (폼본드로 붙힐 예정인데) 고뫄스가 오히려 접착력에 문제는 없을까요?

사람이 하는 일이라 장담할 순 없겠지만 현재 레이어 구성으로 (침수가 되지 않는한) 바닥 습기가 방바닥까지 올라오는 일은 없을 것 같습니다만.

토대 부분 또한 EPS와 XPS가 만나는 부위의 열교 우려는 있으나 습기로 인해 토대가 해를 입을 정도는 아니라고 생각됩니다만... 물론 시공이라는 것이 알 수 없는 일이기는 하지만....
2 권희범 2020.12.06 15:08
저번 질문과 이어지는 궁금증인데요, 기초 상부 쇄석층에 오하수배관을 설치하시려는 이유가 뭔가요?
집 전체가 다운턱이 생긴는 모양이 될텐데, 기초 치기도 일이 많아지고, 비가 잦은 계절엔 욕실 다운턱에만 빗물이 고여도 퍼내는 게 만만찮습니다.
아무리 보양을 잘해도 창 달기 전까진 빗물을 완전히 막을 순 없어서 천막을 쳐도 다운턱엔 빗물이 고일 때가 많습니다.
쇄석이 미리 깔려있다면 고인 물 퍼내는 자체가 불가능할테고, 지붕 덮고 창 달고 쇄석을 채운다면 30평 기준 15톤 덤프 한차 반의 쇄석을 사람 손으로 퍼 날라야 할 거구요.
외벽 조립 후 세우기도 어렵고 내벽 토대가 쇄석층에 파묻히는 것도 문제될 수 있을 것 같습니다.
혹시 모를 오하수관 누수시 물이 빠져나갈 곳고 없구요.
배관이 길어질 경우 150mm 안에서 구배잡기도 만만치 않을 것 같습니다.
또 제 경험으로는 펼친 모래 위에 바닥 단열재를 까는 게 결코 쉽지 않습니다. 단열재를 바닥에 접착하지 않으면 작업 중 계속 움직이고 접부 폼 사춤 시 밑으로 폼이 들어가 단열재가 위로 뜨기도 하고 밟고 다니다보면 꿀렁대는 곳도 많이 생깁니다.
시공자 입장에서 보면 장점이 없어 보입니다.
최종배수 높이 때문이라면 기초 높이를 좀 높이더라도 상하부근 사이에 배관을 하는 게 나을 것 같습니다.
4 장지훈 2020.12.06 15:37
개인적인 생각입니다만....

본 기초는 일본의 베타기초와 패시브 기술 적용을 통해 국내 목조주택 현실에 맞는 기초 공법에 대한 결과입니다.

참고로 베타기초에 대한 부분은 아래 링크 참조바랍니다.

https://www.youtube.com/watch?v=8r0yy0HjvNI&fbclid=IwAR3uSlFAbK56s2iezjH0NUGU5ATxSMMqvIKB2xQ9g8A8E1lS8Nq0QNBA0OI

https://www.youtube.com/watch?v=7J4M6dr9D3E&fbclid=IwAR1SDi5kNbsYZh-XQncVBMZ-EKFI-c8egfKPIH2DN17Ahoal9j2WWazRZYs

1. 기초 상부 오하수배관 문제
터파기 시 메인 수직관이 하수, 오수 각각 인입되는 것을 전제로 (화장실을 예로 들자면 화장실 내측 근처로 수직관이 두개 선 시공) 기초 철콘 공사 이후 H:200 높이 구간에서 설비배관을 하겠다는 취지 입니다. 현재 대체로 기초 철근 공사시 설비공사가 병행되는데 시간 관계상 설비 배관의 정밀 시공이 어렵다고 보여집니다. 이 경우 설비에게 별도의 시간을 할애할 수 있고 기초 타설 후라 필요한 배관 위치에 정밀한 배관 시공이 가능하지 않을까 하며, 장기적으로 주요 배관이 기초 외측에 있어 혹시나 있을 수 있는 유지관리, 리모델링 등에서 장점이 있지 않을까 합니다.

2. 시공 중 빗물 등 문제
우선 시공 순서는 기초 타설->설비배관->쇄석 및 모래 채움->다짐->목구조공사 순서로 생각하고 있습니다. 말씀처럼 시공 기간 중 비가 내리면 리스크가 있을 것 같습니다. 일단 목구조 공사 전까지는 천막으로 보양할 생각이고, 목구조 공사 중에도 천막으로 보양할 생각입니다. 경미한 빗물 정도는 사실 캐나다산 OSB는 비를 맞춰도 상관없지만, 요즘 건축주 눈높이에 맞춰 일단 우천시 천막 보양이 필수인 것 같습니다. 그리고 플랜B로 만약 ㄷ자 기초에 물이 고이면 수직 배관 근처에 200mm 정도 쇄석 걷어내고 파이프 깨서 물빼고 다시 재시공 할 생각입니다. 이 문제에 대해서는 이중육가 정도도 고려할 수 있을 것 같습니다.

3. 시공의 번거러움.
말씀처럼 시공의 번거로움이 있을 것 같습니다. 시공의 번거로움은 곧 비용의 문제이기도 할 것입니다. 다만 베타기초는 기초 외벽 뿐 아니라 내측 벽체에도 콘크리트 기초가 시공되는데, 현재 경량목구조의 기초 평활도 문제(콘크리트 타설 시 고강도셀프레벨링도 같이 시공, 이 경우 바깥쪽뿐 아니라 내측벽의 평활도 문제도 해결 가능), 내측벽체도 전단벽이 있을 수 있기 때문에 L앙카를 내측 벽에도 시공할 수 있는 장점 등이 있습니다.

물론 비용이 관건인데 개인적인 계산에 의하면 기초 품질이란 관점에서 충분히 해볼만한 방법이 아닐까 합니다. 비용 부분은 시공 후 오픈하도록 하겠습니다.

그리고 현재 협회 표준 주택에서 채택하고 있는 되메우기용 단열재를 활용한 방법과 비교했을 때 비용차는 그렇게 많지 않을 것으로 판단되며 부동침하 등 매트기초의 장점을 더욱 활용할 수 있지 않을까 합니다.

4. 단열재 취부 문제
일반 콘크리트 기초 상부 보다는 못하겠지만 앞서 설명처럼 쇄석 및 모래 채움 후 다짐, 그리고 방통전까지 지속적으로 작업자들이 밟고 다니는 것을 가정해 보면, 단열재 깔기 전 기본적인 나라시 정도로 단열재 취부 시 꿀렁거리는 문제는 없을 것으로 판단됩니다. 이 부분 또한 시공 후 평가하도록 하겠습니다.

그리고 모래층에는 수도배관을 매립할 생각입니다. 목구조 공사 후 모래층 50mm정도에 수도배관을 매립하는 방법입니다.

참고로 쇄석 및 모래 타설은 부대토목 시공시 한 장비로 이루어짐으로 쇄석 및 모래 재료비 이외의 비용은 큰 부담이 안될 것으로 사료됩니다.

권희범님의 의견 감사드립니다.
M 관리자 2020.12.06 15:51
권선생과 플랜트리.. 저.. 함께 구경가는 거 어때요?
기초 타설 후, 쇄석 채울 때...
4 장지훈 2020.12.06 15:57
일이 커지는 군요.... ^^;;;;
2 권희범 2020.12.06 23:15
영상 잘 봤습니다.
저는 개인적으로 일본 건축을 보면 저게 필요해서 저렇게 한다기 보단 저렇게 하고 싶어서 저렇게 한다는 느낌이 들 때가 많습니다. 물론 그들의 정밀함은 인정하고 배워야겠지만 건축은 시계 만드는 일이 아닌데 말이죠.

1. 제 경험으로는 버림을 형틀을 짜서 레벨 맞춰 제대로 치고 재물치장까지 해주면 그 뒤의 기초와 관련한 거의 모든 문제가 쉽게 풀립니다.
오하수관, 수도관, 전기 인입관, 기초 형틀, 철근의 간격, 기초의 직각과 레벨까지 모두 제대로 친 버림에서 시작됩니다.
형틀도 구조목 2×6면 충분합니다.

2.osb나 목재가 비를 몇 번 맞는 건 문제될 게 없지만 다운턱에 고인 물을 제대로 제거하지 못하는 건 나중에 하자로 이어질 위험이 커 보입니다.
특히나 위처럼 바닥 방습층이 없는 채로 그 위에 단열재, 방통, 마감재가 설치 되는데 그 하부에 일부라도 물이 고여있다면 습하자는 시간 문제일 거라 봅니다.
배관을 깨고 물을 뺀들 실마다 배관이 있는 게 아니고 기초 타설시 완벽히 구배를 잡기도 어려우니 고인물은 생길 수 밖에 없을 겁니다.
실마다(내벽도 턱이 생기므로) 빗물을 빼기위한 별도의 배수관을 뒀다가 나중에 덮는 방법도 있겠지만 쇄석과 모래는 빠지지 않게 하면서 물만 빼는 건 현실적으로 어려울 것 같구요.
결국 공사중 비를 완벽히 막는 방법 밖에는 없는 것 같은데 유난 깨나 떠는 저희 현장도 다운턱에 빗물이 고이지 않은 적은 없었습니다.

3. 기초의 평활도는 사실 평범한 매트기초도 버림부터 신경써서 올라오면 5mm 이내로 잡을 수 있습니다. 제가 보기엔 자동수평이 더 어렵습니다. 자동수평몰탈이 하부로 빠져나가는 걸 막기도 만만찮을 거구요.
전단벽을 케미컬 앙카로 시공해도 L앙카보다 간격만 좀 더 줄이면 충분한 인발력이 나온다고 알고 있습니다.

4. 단열재 설치는 그렇게 할 수는 있겠지만 이게 또 제대로 하자면 어렵습니다. 바닥에 비닐을 깔아서 접착은 어렵고 그냥 얹어놓고 접부 폼사춤을 하자니 폼이 자꾸 밑으로 들어가니 단열재를 화스너로 고정한 현장도 본 적이 있습니다.
수도 배관도 위에서 말씀드린 것처럼 버림을 신경써서 치면 기초 타설 전에 정확한 위치에 매립을 할 수 있습니다.
50mm 모래층에 매립한다면 작업중 파손 위험이 크고 고정이 쉽지 않을 것 같습니다.

부정적인 말만 계속해서 죄송합니다만, 제 보기엔 비용은 많이 들고 그 효과는 적을 것 같아서 말리고 싶은 마음에 그랬습니다.
그래도 이런 새로운 시도는 늘 관심이 갑니다.
하신다면 관리자님 손잡고 구경하러 가겠습니다.ㅎ
2 권희범 2020.12.06 23:16
관련 작업사진 몇 장 추려서 압축했는데 첨부가 안되네요.
버림 형틀에 각목을 세우고 실 띄워서 배관 위치를 잡은 모습입니다.
4 장지훈 2020.12.07 00:27
지적하신 말씀은 다 맞는 말씀입니다.

다만 일본의 사례는 저렇게 하고 싶어서 한다는 것보다 나름대로 이유가 있을 것입니다. 물론 그 이유를 우리가 다 따라야할 필요는 없겠지만 취할 것은 취하면 될 문제이지 않을까 합니다.

1. 말씀처럼 버림이든 잡석이든 수평레벨은 중요한 문제입니다. 제물치장까지는 설계자 혹은 시공자의 판단의 문제일 것 같구요. 그것도 다 비용이니.
올려주신 사진도 하나의 방법일 수 있다고 생각됩니다.

2. 지적하신 바와 같이 알파기초에서 문제점 중 하나는 기초 콘크리트 타설 후 시공 중 우천시 물고임 문제는 리스크가 있을 것 같습니다. 일반적인 매트기초에서 다운 슬라브에 만약 물이 고이면 어떻하든 당연히 물은 제거해야할 문제입니다만 물 좀 고였다고해서 하자까지 이어진다고는 생각하지 않습니다. 

알파기초가 일반 매트기초와 가장 큰 차이점은 콘크리트 슬라브 레벨이 GL 위에 있지 않고 GL 아래 있는 점이고 이 점때문에 방습의 문제가 제기될 수 있다고 생각됩니다. (우천시 물고임 문제는 논외로 하더라도) 이 부분은 일종의 지하층+외단열과 유사한 상황이지 않을까 합니다만, 지하층+외단열 경우 협회 자료에 의하면 구체와 단열재 사이 시트방수와 같은 레이어가 없다는 점에서 우려하시는 문제가 있을 수 있다고 생각됩니다. 동시에 터파기를 깊게 하지 않으려는 이유 중 하나가 (비용의 문제와) 방습의 문제이기도 합니다.

인증과정에서 이 부분에 대한 별도 코멘트가 없어 현재 터파기는 현재 기초 슬라브 하단 레벨이 550 정도이나 향후 자체 표준 디테일은 350~400정도로 표준화할까 하는데, 이 경우 하단에 잡석 200mm와 0.1t pe필름, 측면 드레인 보드와 잡석되메우기, 이어치기 부분에 지수판 정도로 일차적인 방습은 걸러지지 않을까 합니다. 물론 땅의 컨디션에 따라 일례로 논을 성토한 땅에 단지내 우수 구배가 집중 된 땅의 경우 지중 방습과 습도는 상상을 초월하긴 하더군요. 구체외부에 별도의 방수 및 방습층이 필요하다면 협회와 상의해서 관련 디테일을 반영할 예정입니다.

이외 지적하신 시공 중 우천은 보양이 최선책인 것 같습니다. 장마철의 경우 문제가 될 것 같지만 일반적인 기상 상황에서 크게 문제 없을 것으로 사료됩니다.

3. 기초 평활도 문제는 권선생님 같은 고수분들은 5mm 이내로 어렵지 않게 잡을 수 있을지 모르겠으나, 저희는 보편적인 기술자들과 보편적인 방식에서 작업해야 함으로 개인적인 경험으로 아무리 신경써도 바닥 슬라브 수평평활도는 15mm정도 이더군요. 많게는 30까지도. 그리고 기초평활도를 5mm 내외로 맞추기 위해서도 아마 적지 않은 품이 소요될 것 같구요. 문제는 그 품을 어떤 방식으로 어떻게 분배하느냐 하는 관점에서 보편적인 관점에서 알파기초 방식이 더 용이하다고 판단하고 있습니다.

수평몰탈은 아침에 타설 시작하면 (날씨에 따라 상이하겠지만) 오후 쯤이면 꾸덕꾸덕해지는데, 고강도수평몰탈을 시방서대로 교반하면 말씀처럼 것처럼 물이 빠질 정도는 아닙니다. 생각보다 질며 초속경은 아니지만 빠른시간내에 경화가 일어납니다. 물빠짐은 수평몰탈 물배합비 문제이지 않을까 합니다.

케미칼 앙카로도 충분하다는 말씀은 구조에서도 말이 다른 부분인 듯 한데, 개인적인 판단은 외벽이든 내벽이든 L앙카 시공을 전제로 하고 있습니다. 물론 내진 기준이 일본과 다르지만 (사실 그 조차 명확히 알 수 없는 현실입니다.) 어쨌든 모든 전단벽은 L앙카 시공을 원칙으로 하는 것이 좋지 않을까 합니다. 요즘 개인 목수들에 의해 이런저런 내진 철물들을 시공하고 있으나, 가장 근간은 모든 전단벽에 L앙카 시공이 근간이지 않을까 합니다. 이 부분은 구조와 좀 더 명확한 소통이 필요한 부분임으로 개인이 판단할 문제는 아닐 것 같습니다.

4. 단열재 취부는 글쎄요.. 개인적인 경험은 토대를 경계로 충분히 밀실하게 시공가능한 것으로 판단하고 있습니다. 수도 배관은 천장 배관을 하지 않는 이상 구체 상부에 시공할 수밖에 없음으로 미세하기는 하나 필요한 단열재 두께 이외 층을 확보하거나 기포를 치거나 해야하겠지만, 개인 경험상 수도배관 잘 정리해두면 30mm 단열재로 별도 층을 만들어도 크게 문제될 것은 없다고 생각됩니다. 이 조차 비용이니 모래층으로 단열재 평활도도 잡을겸 수도배관도하고자 하는 것입니다.

수도 배관 설치 시점이 기본적인 전기, 설비 인입 후 방통 전 수도배관, 단열재 취부이니 다른 작업자들에 의한 파손 문제는 기본적인 현장관리로 방지할 수 있지 않을까 합니다.

5. 기타
알파기초의 쇄석층은 협회의 방향?과 무관하게 다운 욕조, 실내 화단(소위 플랜테리어 개념, 물론 협회는 실내에 나무 심는 것을 반대하긴 하지만...) 및 일반적인 매트 기초 다운 레벨은 사실 철근 꺽어서 시공하는 경우가 없으며, 대안으로 기준 피복두께 이상으로 콘크리트를 더 치는 것인데 이또한 fm은 아닌 방법일 것 같습니다. 쉽게 말해 슬라브의 레벨 다운 문제에 용이하게 대응할 수 있기도 합니다.
그리고 앞서 언급한 보편적인 작업방식에 기초 평활도를 유지하면서 내측벽에 L앙카를 시공할 수 있다는 장점 등 때문에 고려된 것입니다.

물론 비용의 문제가 가장 큰 문제입니다. 시공 후 협회에 실행 내역서 오픈할 예정입니다. 권선생님께서도 많은 경험으로 내역을 함께 오픈하여 비교해 본다면 좋은 공부가 되지 않을까 합니다.

부정적인 말씀이라도 고견에 귀 기울이도록 하겠습니다. 많은 가르침 주시면 오히려 감사한 일입니다. 현장은 언제든 오시면 환영할 수 있는 최대한 환영하도록 하겠습니다.

감사합니다.
2 권희범 2020.12.07 18:36
내심 괜히 올렸나 싶었는데 좋게 받아주셔서 고맙습니다.
저희도 몇 년에 걸쳐 어깨 너머로 배워가며 기초 방식을 정하게 됐는데 이게 특별히 어렵지도, 비용이 많이 들지도 않습니다.
제 나름 가성비가 가장 좋다고 생각합니다.
기초 공정별 사진을 정리해서 조만간 글을 따로 올리도록 하겠습니다.
G 나디아 2020.12.07 19:15
더 이상 집 지을 일도 없는데... 나는 왜 이런 내용이 흥미진진한 것인지....- -;;
4 장지훈 2020.12.07 21:09
별말씀이십니다..
기회되실때 현재 작업중이신 기초 방식에 대해 포스팅해 주시면 좋은 공부가 될 것 같습니다.
가성비와 품질의 적정선이란 개념이 쉽지 않은 부분이지만.... 경험 많으신분들의 자료들을 토대로 좀 더 좋은 방향으로 발전시켜 나갈 수 있다면 좋은 일이지 않을까 합니다.
G 시그림나무 03.28 23:29
권희범 빌더님께 질문이 있습니다.^^ 오래된 글이어서 보실지 모르겠지만 질문합니다.
위 사진에서 쇄석을 깔고 오하수관을 시공하고 다짐은 아직 안된 상태인거 같은데요. 오하수배관 하고 다지는 순서 일거로 생각됩니다. 저는 터파기 다지기 쇄석 다지기 그리고 배관자리 쇄석을 파내고 오하수 배관 시공을 하려고 하고 있습니다. 이 순서일때 주의해야할게 있을까요? 버림전에 오하수 배관할때 주의할점이 있으면 알려주세요.
M 관리자 03.29 12:14
아마 보실 확률이 낮아서 제가 대신 답변을 드리면...
하시고자 하는 순서에서 주의하실 것은 그저 배관의 물매만 잘 잡아 놓으시면 되세요. 그리고 배관이 철근 등에 단단히 붙어 있는 것이 아니기에 버림을 타설할 때 수직 배관이 기울어지거나 위치를 이탈하거한 하는 등의 오류가 없도록 하시면 후작업에 무리가 없습니다.
Category