콘크리트 슬라브 위에 목조 지붕 구조 문의

설계/시공관련 질문

질문 전에 먼저 검색을 해주세요.

 

콘크리트 슬라브 위에 목조 지붕 구조 문의

G 신경호 6 4,840 2020.12.07 12:31

안녕하세요.

 

늘 좋은 자료 읽기만 하다가 저희 집 관련해 의문점이 생겨 이렇게 문의 드리게 되었습니다.

 

지어진지 10년 정도 된 철근 콘크리트 구조 주택인데요.

이사와서 1년 만에 처음으로 다락에 올라갔다가(아직 다락 계단이 없어서요 ^^)

지붕 구조 안정성에 의문이 생겼습니다.

 

우선 사진 두장만 봐주세요.

용마루 부분입니다.

IMG_3813.jpeg

 

IMG_3814.jpeg

 

수많은 목조 지붕 사진을 찾아봤지만 중간에 마룻대 없이 양쪽 서까래를 바로 겹쳐 붙인 경우는 처음 봐서요.

그 아래 장선(2x10, 길이는 3m 정도)과 기둥(2x6 3겹)이 지붕을 떠받치고 있는 것처럼 보이는데

막상 기둥은 바닥 콘크리트 슬라브에 고정된 것도 아니고 살짝 떠 있습니다. (기둥이 둘 다 움직입니다)

 

OSB 위에는 아마 방수포 위에 아스팔트 슁글만 덮어져 있는 것으로 보입니다.

 

그리고 테두리에 슬라브와 만나는 부분은 다음과 같이 되어 있습니다.

IMG_3784.jpeg

 

저 끝에 대놓은(아마도 바닥에 못으로 고정) 각재가 서까래가 밀리지 않게 잡아주는 것으로 보입니다.

그 안쪽 각재는 큰 역할은 안 하는 것 같은데 왜 있는지 잘 모르겠습니다.

(서까래 간격은 40 정도이고, 지붕 경사는 33~34도 정도 입니다.)

 

단열이나 마감은 차치하고

혹시 구조적인 부분에서 문제가 있지는 않은지요? (그냥 처음 보는 방식이라서요)

처음 사진들의 큰 기둥 외에도 바로 위 사진처럼 곳곳에 가설된 느낌의 지지대들이 있는데요.

용마루 부분의 장선 및 주요 기둥 3~5개만 고정하거나 보강 후 나머지는 철거해야 다락을 사용할 수 있을 것 같습니다.

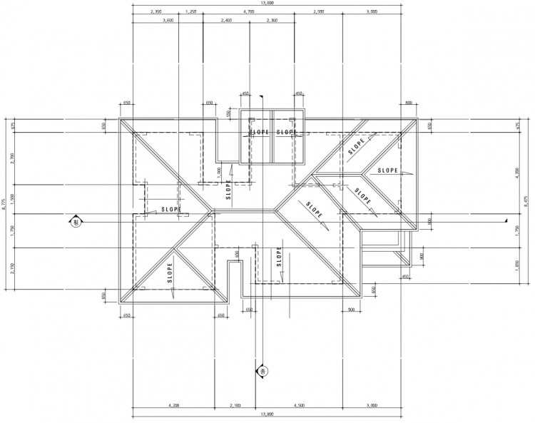
(지붕 모양이 좀 복잡해서 평면도를 올리려고 했는데 사진이 잘 안 올라가네요. 가능하면 댓글에 추가하겠습니다.)

 

일단 떠 있는 기둥들 바닥을 좀 잘라내고

보통 기초 올릴 때처럼 기둥 아래에 씰실러와 구조목을 가로로 끼워넣고

바닥에 앙카로 고정 후 기둥과는 스트롱타이 철물류로 고정할까 하는데요.

유효한 방법일지요?

아니면 다른 더 좋은 방법이 있을까요? (용마루 장선과 기둥이 구조적으로 충분한 규격인지도 의문이네요.)

 

보강만 된다면 래프트벤트를 붙인 후 글라스울을 채워 넣고 합판으로 마감하려고 합니다.

(수성연질폼도 고려 대상이기는 하나 때가 때인지라 외부 전문가를 부르긴 어려워서요.)

근데 기본적으로 콜드루프처럼 보이지만

슬라브와 만나는 부분에는 딱히 벤트나 틈이 있는 것 같지 않은데요.

처마 부분까지 슬라브라서 어쩔 수 없을 것 같긴 한데 괜찮을까요?

(용마루도 딱히 틈이나 벤트가 있어 보이진 않습니다 - 지붕에 올라가보진 못해서 위쪽은 확실치는 않네요)


창 달린 벽체 위에는 서까래 벤트가 있기는 합니다.

 

긴 글 읽어주셔서 감사합니다.

바닥에 대한 부분은 나중에 따로 문의드리겠습니다. ^^

Comments

G 신경호 2020.12.07 12:33
평면도는 잘 안 올라가나 했는데 맨 위에 올라가 있었네요. ^^;
아 나중에 태양광 패널도 설치하려고 합니다.
M 관리자 2020.12.07 13:14
안녕하세요.
다락을 사용하실 생각이신가요?
아니면 그냥 지금 상태를 유지하는 쪽인가요?
G 신경호 2020.12.07 13:41
구조에 문제가 없다면(또는 문제를 해결할 수 있다면) 계단을 놓고 사용하려고 합니다.
계단실 부분은 콘크리트가 다락까지 연장되어 있고 문틀을 제외하고 벽체가 세워져 있어서
문도 달아서 아이 놀이 공간이나 창고로 사용할 생각입니다.

원래도 그런 목적으로 설계된 것 같구요. 다만 설계와 다르게 시공이 된 것 같습니다.
설계 도면에는 150T 두께의 콘크리트 경사 지붕으로 되어 있는데
정확히 확인은 안되지만 두께를 아무리 따져봐도 콘크리트는 없는 것 같습니다.
지붕은 내단열 설계이기 때문에 OSB 위가 바로 콘크리트라면 통통 소리는 나지 않을 것 같구요.
(건물은 외단열 입니다.)
M 관리자 2020.12.07 13:44
아.. 그럼 현재 보이는 다락(?)의 바닥은 콘크리트 슬라브 인가요?
즉 평지붕 위에 목구조로 경사 지붕을 씌운 형식인가요?
G 신경호 2020.12.07 15:36
슬라브 종류를 말씀 안 드렸네요 ^^;
네. 철근콘크리트 슬라브 위에 목구조로 경사 지붕 맞습니다.
M 관리자 2020.12.07 16:25
세가지 사항으로 나누어 말씀을 드려야 할 것 같은데요..

1. 목구조는 별도의 보강이 필요합니다. 다만 그 정보의 양에 비해 내용의 복잡성으로 인해, 계약을 하시는 목구조 회사에서 보강계획을 세우셔야 할 것 같습니다.

2. 다만, 다락을 사용하신다면... 지붕이 지금 처럼은 안되고, 통기층이 만들어 져야 합니다.
그 통기층은 협회에서 이야기하는 외부통기지붕이 아닐지라도, 내부통기지붕 형식은 갖추어야 합니다. 단열이 추가되면 습하자가 생기기 때문입니다.

3. 그러므로 처마로 부터 시작해서, 서까래 사이를 통해서, 용마루로 올라가는 통기층이 형성되지 않으면 장기적으로 구조적인 문제로 이어질 수 있기 때문입니다.

그러므로 이런 사항을 이해하고 있는 목조회사를 찾으셔야 하는 것이 첫 단추인 것 같습니다.
Category