커튼월 작업중에 지바?찌바? 작업이 뭔지 궁금합니다.

설계/시공관련 질문

질문 전에 먼저 검색을 해주세요.

 

커튼월 작업중에 지바?찌바? 작업이 뭔지 궁금합니다.

G 커튼월관련입문자 1 1,981 2024.06.17 08:59

안녕하세요

커튼월 시공하시거나 설계작업하실때 보면

지바인지..찌바인지... ;;

지바(찌바)작업이다, 구조다 하시는데..

그게 일반적인 커튼월 스틱이나 유닛만 알고있는 저는..

어떤 차이가 있는지 잘 모르겠네요;;

구조적으로나 설계적으로든지 시공적으로든지 알고계신분이 있다면

도움 부탁드립니다.

 

감사합니다.

Comments

M 관리자 2024.06.17 12:36
안녕하세요.

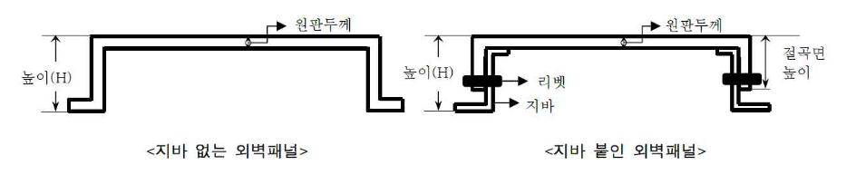
판넬 등을 외벽에 고정할 때 사용하는 Z-Bar 를 그렇게 부르고 있습니다.
Category