IoT와 조명 제어 이야기..

이런 저런 이야기

설계/시공/하자 등의 모든 질문 글은 해당 게시판에 해주세요.

여기에 적으시면 답변 드리지 않습니다.

 

IoT와 조명 제어 이야기..

3 아침 7 3,501 2024.01.15 06:42

안녕하세요. 사실 IoT라는 단어가 너무 마케팅적인 요소가 되어 버린 것 같아서 사용하고 싶진 않지만, 어쨌든 오늘은 조명 제어에 대해 이야기해보려고 합니다.

 

주의: 전기 하나도 모르는 ★☆무자격 일반인★☆입니다.. 지적 달게 받겠습니다.

 


 

일단 영상 하나 투척하겠습니다. 따로 찍자니 너무 귀찮아서 공사 중에 찍었던 동영상을 발굴하여 업로드했습니다. 여기서 눈여겨봐야할 요소는 크게 2가지 입니다.

  1. 스르륵 켜지고 스르륵 꺼지는 조명의 밝기 제어가 가능하다. (Fade-in, out)
  2. 움직임을 감지하면 조명이 켜지고 시간이 지나면 조명이 살짝 어두워지다가 (2nd Light Level) 꺼진다. (조명을 끄겠다는 예고) 영상에는 없지만 살짝 어두워진 상태에서 움직임이 인식되면 다시 밝아집니다.

이게..참 별거 아닌데 좀 있어 보입니다…? 더불어 이러한 조명 제어 솔루션이 IoT 분야에서도 독립적으로 발전하고 조금씩 보급되면서 사람들의 관심이 점점 높아진 것 같습니다.

 

시작하기에 앞서 아날로그 조명 제어 방법을 살짝 훑고 지나가겠습니다.

 

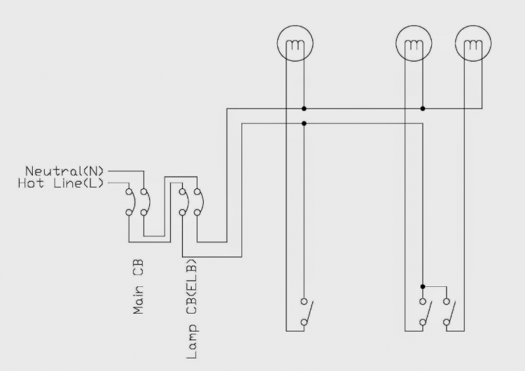
yyy.png

위의 그림이 나타내는 것 처럼 벽의 스위치를 누르면 전기가 흘러 불이 켜집니다. 제가 아는건 이게 전부입니다. 아주 간단합니다. 전기공사도 쉽습니다. 조명 위치에서 L/N 라인을 각각 조인해서 병렬로 연결해나가면 됩니다. 스위치에서 전등쪽으로 전선 하나만 포설하면 끝이니 별로 신경쓸것도 없습니다.

 

IoT에 조금이라도 관심있으신 분들은 아마 “중성선”이란 이야기를 엄청 많이 들어보셨을겁니다. 저도 처음에 이 말을 들었을 때는 도대체 무슨 외계어인가 생각했지만, 스위치 자체에도 전기가 공급되어야 무선이든 뭐든간에 제어를 할 수 있으니, 상시 전원을 공급하기 위한 목적이라는 걸 이해하기까지 꽤나 많은 시간이 필요했습니다. 이야기가 길었는데 스위치로 전기를 차단하여 조명을 제어하는 방법 이외에 어떤것들이 있는지 간단하게 살펴보겠습니다.

 

조명을 제어하는 다양한 방법

  1. 스마트 조명: 조명 자체에 IoT 기능이 들어가있습니다. 필립스나 이케아 등 자주 보셨을 겁니다. 기존의 조명만 교체하면 됩니다. (220VAC) 가장 간편하고 누구나 쉽게 할 수 있지만 타 회사 제품끼리는 가끔 호환이 안되기도 하고 제품이 다양하지 않으며 무엇보다 광원의 품질이 좋지 않은 경우가 많습니다. 또한 조명을 제어하기 위해 “허브” 또는 “브릿지” 라 불리는 장치가 필요합니다. 입문용으로는 좋지만 집 전체를 이걸로 도배하기엔… 좋은 선택지는 아닙니다. 보통 IoT 장치는 Zigbee나 Bluetooth LE, Z-wave, WiFi와 같은 무선 통신 프로토콜을 사용하고 무선 신호로 조명이 밝기, 색온도 제어 등의 명령어를 수신하는데 이 때문에 조명에는 언제나 전원이 공급되어야 하며 무선 신호가 도달하지 못하는 음영지역에서는 동작이 원활하게 되지 않을 수 있습니다. 역시 가장 큰 문제는 “내가 원하는 조명”을 선택하지 못한다는 점 입니다.

  2. 스마트 스위치: 스위치 안에 무선 송수신이 가능한 릴레이를 넣은 제품들입니다. 기존의 스위치랑 동일하지만 단지 “무선으로 제어가 가능해졌다” 라고 생각하셔도 무방합니다. WiFi 프로토콜을 사용한다면 별도의 허브가 필요없겠지만 스마트 조명과 마찬가지로 다른 프로토콜을 사용한다면 허브가 필요할 수도 있으며 커버리지의 문제도 동일합니다. 전원을 공급해야 하는 제품도 있고 (그래서 중성선이 필요..) 배터리 타입도 있고 심지어 스위치를 누를 때 발전된 미세한 전기로 작동하는 제품도 있습니다만 이런 제품의 가장 큰 문제는 “디자인” 입니다. 특히나 요즘 인테리어에 관심이 많은 건축주들이 많은데, 못생긴 스마트 스위치는 외면 받기 십상입니다.

  3. 이너릴레이 류의 IoT 모듈: 이렇게 복스 안에 넣는 조그마한 모듈입니다. 스위치를 누르면 이 IoT모듈이 무선으로 신호를 전달합니다.

    diagram1.png

    최종 전기도면 - Frame 70.jpg

    이렇게 예전처럼 스위치를 사용하여 조명을 제어할 수도 있고 휴대폰 등을 활용하여 네트워크로도 조명 제어 명령을 전달할 수 있습니다. 가장 큰 장점은 “내가 원하는 스위치”를 사용할 수 있다는 것입니다. 다만 예전처럼 방향이 있는 스위치는 곤란한데 무선으로도 조명 제어가 가능하므로 스위치의 방향이 꼬일 수 있기 때문입니다. 따라서 푸시형 타입의 방향이 없는 스위치(눌렀다가 손을 떼면 다시 원래대로 튀어나오는)를 선택하셔야 합니다. 인테리어에 관심있는 사람이라면 융이나 르그랑 같은 회사를 다들 아실텐데요, 유럽 현지에서는 요런 푸시형 스위치를 많이 팔고 있습니다. (융 제품이라면 531U, 535U 정도를 선택하시면 무난합니다)

  4. 예전에 많이 사용하던 sonoff라는 회사에서 나온 저렴히 이너릴레이를 사용하는 방법도 있지만, 생략하겠습니다… 이젠 더 이상 유효한 방법이 아닙니다.

 

디밍 드라이버

ltech.jpeg

<150W CV Dimmable Driver>

 

대충 이렇게 생겨먹었습니다. LED 조명의 밝기를 전류나 전압을 변화시켜 조절하는 물건입니다. 좀 더 멋진 말로는 CV Dimmable Driver와 CC Dimmable Driver 로 나뉘는데요, 전압을 고정하고 전류를 조절하여 밝기 조절을 하거나 전류를 고정하고 전압을 변화시켜 밝기를 조절하고.. 뭐 그렇습니다.

 

보통 LED 스트립은 12~24VDC 가 대부분이기에 CV 드라이버를 사용하면 됩니다. LED 스트립의 길이가 길어지면 전압 강하 때문에 점점 밝기가 어두워지므로 제조사에서 권장하는 적절한 길이로 나눠 하나의 디밍 드라이버에 병렬 연결해도 됩니다. 드라이버의 정격 출력이 넉넉하기만 하면 됩니다. CV 드라이버는 150W 짜리도 비교적 쉽게 구할 수 있습니다. CV 드라이버의 출력도 대부분이 12~24V입니다.

조명 품질과 수명 때문인지 다운라이트 계열은 고정된 전류를 받는 제품이 많은 것 같습니다. (전기 무식쟁이라 잘 모릅니다..! 왜 그런지 알려주세요) 그래서 CC 드라이버를 1:1로 연결해 사용하는것이 대부분입니다. 간혹 비용 절감 목적으로 다운라이트를 CC 디밍 드라이버에 병렬 연결하는 사례가 종종 있는데 좀 거시기 합니다…과부하 걸릴텐데..?

 

시중의 대다수의 CC 드라이버는 출력이 10W~20W 내외라서 조명과 1:1 연결할 수 밖에 없습니다. 


euchips.jpeg

 

여튼 이렇게 밝기를 조절할 수 있게 되었습니다. 참고로 여기서 색온도까지 조절하고 싶다면 LED+, LED- 이렇게 2선이 아닌 LED+, WW- (warm white), CW- (cool white) 3선 디밍 드라이버와 색온도 조절 가능한 CCT 조명을 사용하시면 됩니다. 개인적으로는 별로 추천해드리고 싶지 않은게 일단 가격이 더 비싸고 동일한 가격이라면 광원의 품질이 떨어질 수 밖에 없습니다. 그리고 무엇보다 색온도를 조절할 일이 그닥 없습니다. 낯에는 태양빛이 워낙 강렬해서 실내 조명의 색온도는 잘 느껴지지도 않거든요.

 

이런 디밍 드라이버에 명령어를 내리는 방법도 다양합니다. 디밍 드라이버가 어떤 프로토콜을 지원하냐에 따라 다른데요. 앞서 설명했던 zigbee를 지원하는 디밍 드라이버라면 zigbee 무선통신으로 명령을 수신하여 조명의 밝기등을 제어하고 WiFi를 지원한다면 WiFi 신호로 제어하게 됩니다. 무선이 아닌 “유선”의 신호선으로 명령을 수신하는 디밍 드라이버도 있습니다.

 

이제 두가지를 조합해 보겠습니다.

 

(zigbee를 지원하는 스마트 스위치 또는 스위치에 zigbee IoT 모듈 삽입) + (zigbee로 동작하는 디밍 드라이버) + (다운라이트)

  • 스위치를 누르면 IoT 모듈이 이를 인식하여 zigbee 신호를 전달 → 허브가 수신 → (사용자가 정의한 명령에 따라 동작 → 예) 1, 2, 3번 디밍 드라이버의 밝기를 50%로 조절 → 다운라이트 3개의 밝기가 어두워짐
  • 1시간 마다 모든 디밍 드라이버의 밝기를 10%씩 조절하는 명령어 작성 → 허브 → zigbee 지원 디밍 드라이버에 명령어 전달 → 밝기 조절됨
  • 앱에서 특정 조명의 밝기 조절 → 허브 → zigbee 지원 디밍 드라이버에 명령어 전달 → 밝기 조절됨
  • 음성 명령을 통해 특정 조명의 밝기 조절 요청 → 음성 명령을 해석 → 허브 → zigbee 지원 디밍 드라이버에 명령어 전달 → 밝기 조절됨

대강 이런 흐름으로 조명을 제어할 수 있게 됩니다. 벽부형 스위치를 그대로 유지한 이유는 너무나도 보편적으로 사용되던 물건이기에 IoT가 낯선 부모님을 위해서라도 꼭 유지하고 싶었는데 물리 스위치와 원격 제어 두마리 토끼를 모두 잡게 되었습니다.

 

기존의 아날로그 조명 제어와 다른 점은 스위치의 동작을 마음대로 재정의 할 수 있다는 겁니다. 배선은 전혀 건드리지 않고 소프트웨어만으로 스위치의 동작을 쉽게 바꿀 수 있습니다.

 

그러나 사실 저희집은 지금까지 설명한 방법을 사용하여 조명을 제어하고 있지 않습니다(?!) 지금까지 장황하게 설명했지만 글이 너무 길이지니 2부를 기약하며...

 

 

간단 요약

  • 스마트 전구는 광원의 품질 (연색성, 배광 등)이 그닥 좋지 않으니 제한적으로만 사용하는 것을 추천 드립니다.
  • IoT에 익숙하지 않은 사람을 위해 물리 스위치는 그대로 남겨두는 것을 추천 드립니다.
  • 인테리어의 목적으로 원하는 스위치가 있다면 IoT 모듈을 사용하여 스마트 스위치로 변신시킬 수 있습니다.
  • LED 조명의 밝기나 색온도 조절은 디밍 드라이버를 사용하면 손쉽게 할 수 있습니다.
 
 
 
 
 
 
 

Comments

10 디엔에이ㅣ신범석 2024.01.15 10:56
좋은 내용 감사합니다.
부드러운 센서등 작동이 정말 좋습니다! 지금 집에 스마트스위치 설치하려고 제품 구매까지 했었는데 막상 스위치에 중성선이 없어서 적용을 못하고 있어요. 중성전이 필요없는 제품이 있기는 하지만, 조명이 깜빡이는 현상이 발생할 수 있다고 해서 피하고 있었습니다. 그래서 집을 지을때는 모든 조명 스위치에 중성선을 적용하는게 좋겠다고 생각했어요.
G ㅇㅇ 2024.01.16 17:23
계속 연재 부탁드립니다:0
1 봄이조아 2024.01.20 06:30
저라면 집을 지을때 스위치 위치로 L/N 을 모두 내리라고 주문할것 같습니다.
M 최가이버 2024.01.24 15:23
글 잘 읽었습니다~^^ 또 올리시면 챙겨 볼게요~
저도 집 인테리어 할 때 IOT 고민을 많이 했었어요. 그래서 허브를 벽 상단에 설치하려고 전기 작업도 직접 해서 달아놨습니다.
그리고 집에 가까이 오면(스위치가 안 켜져 있을 때) 자동으로 켜지고, 집이 낮에도 좀 어두워서 나갈 때 신발장에서 무선으로 동작하는 스위치를 쓰고 있고, 기타 일부 전원 스위치도 IOT 제품을 좀 쓰고 있습니다. 어떤 장소에는 여름에 습도가 높아져서 일정 습도가 올라가면 핑거 벗에 명령을 내려 제습기를 켜고 내려가면 꺼지게 하도록 해놨습니다.(허브/온습도계/핑거봇)
여러 제품이 연계하여 동작하게 하려면 허브는 필수인것 같아요.
디밍제품 좋은것 같네요. 적용하고 싶은곳이 있는데 추천해주신 제품 알아보고 도전해보고 싶네요!!
5 지람 2024.01.25 01:03
친절하고 자세한 설명 감사합니다~ 글 스크랩했습니다!
G 오홍균 08.14 09:41
요즈음 공부하는 제품은 ESP32 WROOM DEV KIT를 이용하여 각종 LED를 제어하는 제품을 공부하고 있습니다. 이 제품은 다양한 GPIO 포트를 가지고 있어서 네오 LED WS2812B(5V) 또는 WS2815B(12)을 최대 8EA 출력 지원하고 RGBCW STRIP LED도 최대 16개 개별 출력이 가능하다고 합니다. ( FET 부품이 추가가 필요하며 다른 용도의 부품 추가되면 GPIO 숫자는 줄어듭니다.)    그러하다면 다양한 출력 및 효과를 표현할 수 있어서 개인 룸 엠비언트가 가능하고 고출력 SMPS와 다수의 LED를 이용하여 연습실 엠비언트 구현도 가능하며 그 상위 버젼인 ESP32 WROVER로 사용하면 됩니다.  요즈음 AI 발달로 안드로이드 예제를 잘 구현해 주니 업데이트도 PC로 직접 USB 연결하여 DIY로도 충분히 가능할 것으로 판단됩니다.  제가 그걸 하려고 노력중입니다.
Category